| Корзина: | 0 товаров |
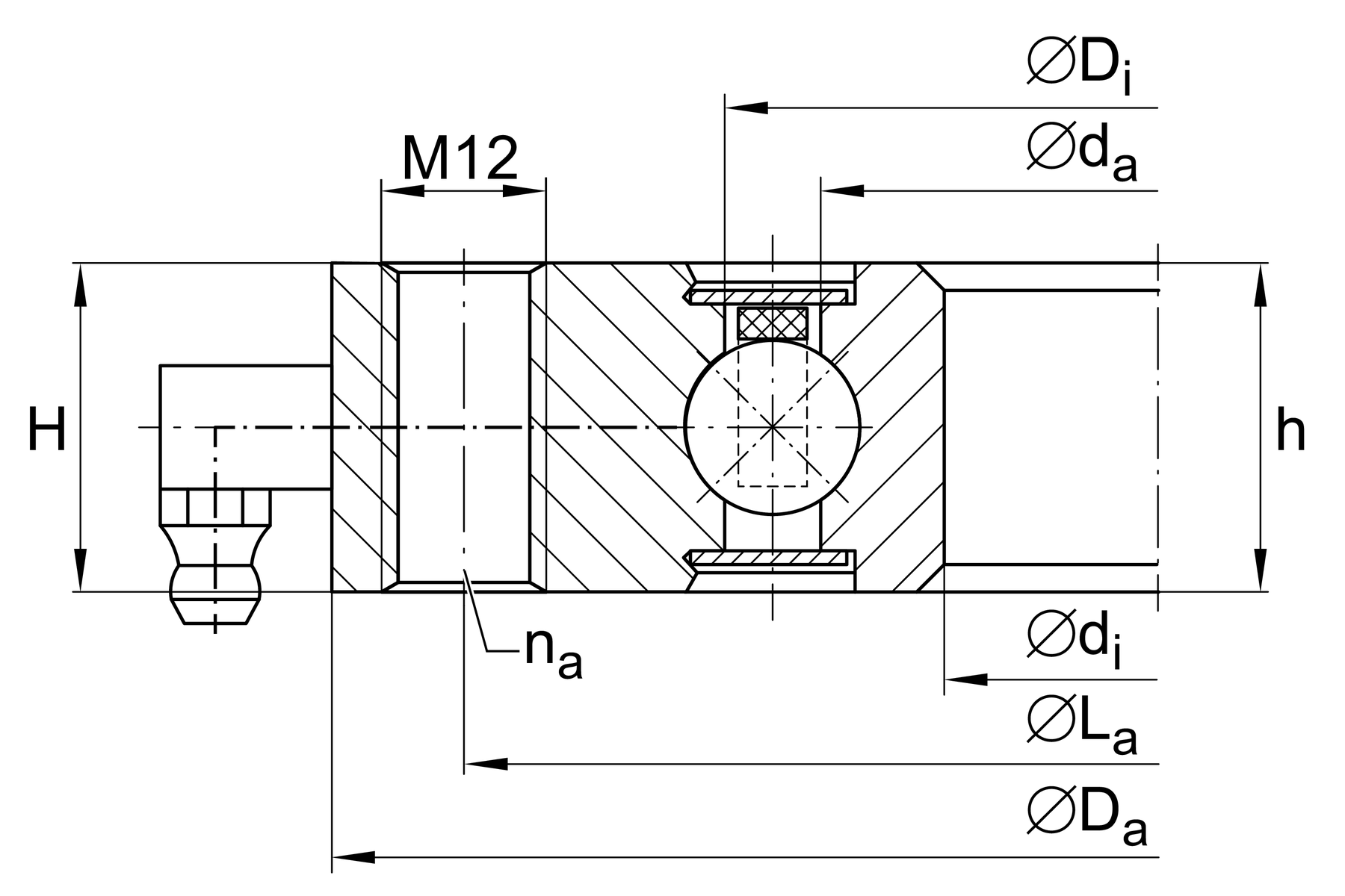
Опорно-поворотное устройство, подшипник с четырехточечным контактом, без зубчатого венца VU130225
- Характеристики
- di (mm) / Da (mm) / H (mm)
- Производитель
- INA
- Страна производитель
- Германия
- Тип подшипника
- Опорно-поворотное устройство, подшипник с четырехточечным контактом, без зубчатого венца
- Модель
- Опорно-поворотное устройство, подшипник с четырехточечным контактом, без зубчатого венца VU130225

